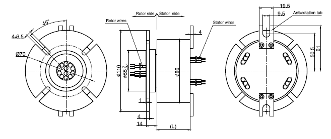
MW3086 series is large current slip ring with OD (outer diameter) 86mm and rotor flange installation, Solid
style without through bore.
This series slip ring can be with rated current 20A/30A/50A to over 100A.
Model :
.png)
.png)
.png)
Malaysia