GHS Super Long-Life Slip Rings (GHS1256 Series)

GHS Super Long-Life Slip Rings (GHS1256 Series)

Category: MOFLON 360° ROTATING SLIP RINGS Available
For more information, visit our official website at sem-eq.com

Description



GHS series is a high-speed slip ring specially developed for high-speed rotating equipment. The speed can up to 12000RPM.
The air cooling can ensure the heat generated by the slip ring during high-speed operation does not affect the stability and
the working life of the signal.

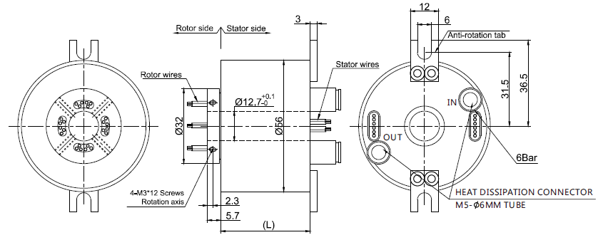
GHS1256 series is a rotary electrical connector(rotary electrical joint) with bore size 12.7mm, OD 33mm, support 2~12 circuits.
High speed slip ring with bore size 12.7mm(1/2”,used for<=12.7mm),OD 33mm.

*Attention:if required through bore <12.7mm,this can besolved by adding a sleeve inside the bore.




Model :




 



Features :

 

Dimension :





 


Specifications :





 

More detail about SEM Equipment Sdn. Bhd.
SEM Equipment Sdn. Bhd.
SEM Equipment Sdn. Bhd. Industrial Equipment Manufacturer, Ultrasonic Equipment Supplier, Laser Equipment Supply in Johor Bahru (JB), Malaysia ~ SEM Equipment Sdn. Bhd.
Contact Us flagMalaysia