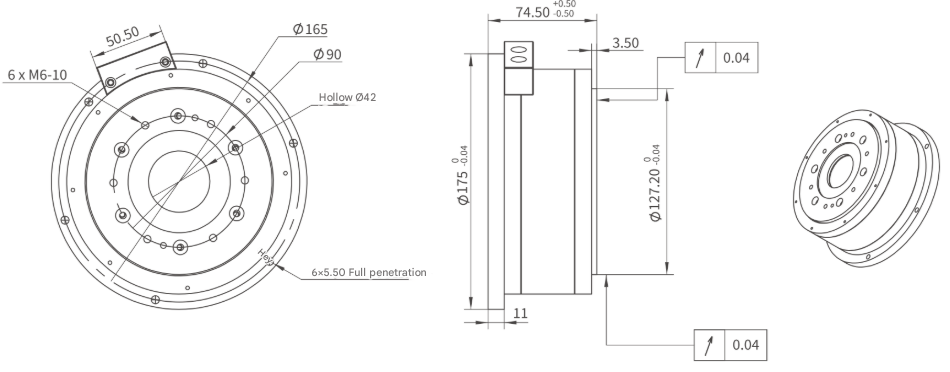
Model : SDM160-048

| Model parameters | Unit | STP-SDM160-04811F31N-L005T-S05 |
| Continuous torque ≥ | Nm | 15.5 |
| Peak torque ≥ | Nm | 46.5 |
| Continuous speed ≥ | rpm | 120 |
| Peak speed ≥ | rpm | 200 |
| Number of poles | PCS | 16 |
| continuous current | Arms | 4.5 |
| Thrust constant≥ | Nm/Arms | 3.44 |
| Peak current | Arms | 13.5 |
| Resistance | ohm | 5.9 |
| Inductance | mh | 14.9 |
| Absolute accuracy | arcsec | ±30 |
| Repeat accuracy | arcsec | ±4 |
| Axial force | N | 1200 |
| Radial force | N | 400 |
| Coil maximum temperature | °C | 155 |
| Quality | kg | 6.5 |
| Moment of inertia of mover | kg × m² | 0.0039 |
Malaysia