Working Principle and Applications of Humidifiers

Working Principle and Applications of Humidifiers

Humidifiers utilize the principle that a humidity-sensitive material absorbs moisture from the air, causing its resistance to change. Popular industrial humidity-sensitive resistors include lithium chloride humidity resistors and organic polymer film humidity resistors. Popular industrial humidity-sensitive resistors include: 1. Semiconductor ceramic humidity sensors; 2. Lithium chloride humidity resistors; 3. Organic polymer film humidity resistors.

Humidifiers are characterized by a film made of a humidity-sensitive material covering a substrate. When water vapor in the air adsorbs onto the humidity-sensitive film, the resistivity and resistance of the component change. This property can be used to measure humidity. Humidifiers are generally made of polymer film capacitors. Common polymer materials include polystyrene, polyimide, and butyric acid acetate. When the ambient humidity changes, the dielectric constant of the humidity-sensitive capacitor changes, causing its capacitance to also change. The change in capacitance is proportional to the relative humidity.

Working Principle of a Humidity Resistor:
A humidity-sensitive resistor sensor primarily consists of a humidity-sensitive layer 3, electrodes 4, and a mechanically strong insulating substrate 2, as shown in Figure 1. The humidity-sensitive layer absorbs moisture from the environment, causing a change in the resistance between the two electrodes. This converts changes in relative humidity into changes in resistance.

Humidifiers must be operated with AC power; DC power will cause them to fail. This is because the DC electric field causes charged particles in the polymer material to gravitate toward the polarity, causing the humidifier to lose its function over time. Therefore, AC power is essential to maintain dynamic equilibrium. This is why a bridge circuit is used instead of a standard multimeter to measure the resistance of a humidifier.

Water molecules are polar and decompose into H₂ and O₂ in a DC field, affecting measurement. Furthermore, the presence of conductive ions in humidity sensors can cause drift in high humidity conditions if DC power is used, resulting in conductivity drift and shortening the sensor's lifespan. RC charging and discharging methods can be used, as can timing. Some chips have RFC functions, which can also be used. Alternatively, an IC can be used to directly generate a 1kHz square wave and superimpose it on the sampling resistor and humidity sensor. Using an analog analog converter (ADC) to measure the voltage divider during the positive cycle is also an option. Alternatively, an analog circuit can be used to perform R/V conversion using logarithmic calculations, followed by ADC sampling.

Humidity Sensor Applications:
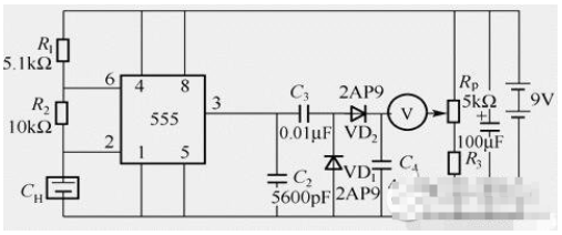
Humidity sensors are widely used in household appliances such as washing machines, air conditioners, video recorders, and microwave ovens, as well as in industry and agriculture, for humidity detection and control. The figure shows the schematic diagram of a humidity sensor circuit.

The circuit shown in Figure 2 consists of a 555 timer circuit and humidity sensor CH, forming a multivibrator. Capacitor C2 is connected to the oscillator's output, converting the multivibrator's square wave signal into a triangular wave. As relative humidity changes, the capacitance of humidity sensor CH changes accordingly, causing the frequency and amplitude of the multivibrator's triangular wave output to change accordingly. After rectification by VD1 and VD2 and filtering by C4, the output signal can be directly read from a voltmeter as the relative humidity index. The Rp potentiometer is used for zero adjustment.

Lithium Chloride Humidity Sensors
Multi-chip resistor-based lithium chloride humidity sensors measure humidity based on the principle that the electrical properties (such as resistance) of the humidity sensor element change with humidity. These humidity sensors are typically made by impregnating an insulating material with a hygroscopic substance or forming a layer of metal, semiconductor, polymer film, or powdered particles through processes such as evaporation and coating. As the humidity sensor absorbs and dehumidifies, the conductivity of the H+ ions released by water molecules changes, causing the element's resistance to vary with humidity. Lithium chloride humidity sensors offer several key advantages, including stability, temperature resistance, and long service life. With over 50 years of production and research history, lithium chloride humidity sensors are available in a variety of product types and manufacturing methods, all leveraging the advantages of lithium chloride humidity sensors, particularly its superior stability. Lithium chloride humidity sensors are electrolyte humidity sensors and, among many other humidity-sensing materials, were the first to gain attention and be used in humidity sensor manufacturing. Lithium chloride electrolyte humidity sensors achieve humidity sensing based on the principle that equivalent conductance decreases with increasing solution concentration. Dissolving an electrolyte in water lowers the water vapor pressure above the surface of the water.

The structure of a lithium chloride humidity sensor substrate consists of an insulating substrate, a pair of metal electrodes, and a coating of an electrolyte solution humidity-sensing film. Lithium chloride is a typical ionic crystal and a non-affinity electrolyte. In lithium chloride solutions, Li+ has a strong attraction to polar water molecules, resulting in the highest concentration of ionic water. Lithium chloride humidity sensitive film is made of a mixture of lithium chloride and polyvinyl alcohol. Its main characteristics are:
(1) It can work stably in a high temperature environment of 120 degrees, which is unmatched by other polymer capacitors and humidity sensors;

(2) The linear humidity measurement range of lithium chloride humidity sensor is relatively narrow, about 20%RH. Within this measurement range, its linear error is less than 2%RH. Therefore, in order to achieve high-precision humidity measurement in a full range humidity measurement environment, the currently commonly used single-chip humidity sensor measurement method is difficult to achieve.

Organic polymer film humidity resistor
The characteristic of humidity resistor is that a layer of film made of humidity sensitive material is covered on the substrate. When water vapor in the air is adsorbed on the humidity sensitive film, the resistivity and resistance value of the element change. This characteristic can be used to measure humidity. Humidity sensitive capacitors are generally made of polymer film capacitors. Commonly used polymer materials include polystyrene, polyimide, butyric acid acetate fiber, etc. When the ambient humidity changes, the dielectric constant of the humidity sensitive capacitor changes, causing its capacitance to change as well. The capacitance change is proportional to the relative humidity. Electronic humidity sensors can achieve an accuracy of 2-3%RH, which is higher than dry-bulb and wet-bulb humidity measurement. However, humidity sensors have poor linearity and contamination resistance. When measuring humidity, they are exposed to the environment for extended periods, making them susceptible to contamination, which can affect measurement accuracy and long-term stability. In this regard, they are not as good as dry-bulb and wet-bulb humidity measurement methods.