Principle and Common Faults of Sound-Controlled Corridor Switches

Principle and Common Faults of Sound-Controlled Corridor Switches

Most stairways in residential buildings now feature sound-controlled switches. They use the sounds of footsteps and voices at night to illuminate the stairway lights, providing convenient illumination.

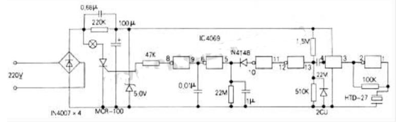
The schematic diagram shows the principle: 220V AC voltage is rectified, stepped down by a 220kΩ resistor, filtered by a capacitor, and stabilized by a 5V Zener diode to provide operating voltage to the 4069. During the day, when illuminated, the 2CU exhibits low resistance. Pin 13 is low, unaffected by daytime sound from the stairway. Pin 8 is also low, resulting in no trigger voltage for the thyristor, and the bulb does not illuminate. At night, when illuminated, the 2CU exhibits high resistance. Pin 13 remains low. However, if footsteps, voices, or other sounds are heard in the stairwell, the weak sound picked up by the piezoelectric ceramic is linearly amplified by the inverter via pins 1 and 2. Pin 4 then outputs an inverted rectangular wave, which is coupled to pin 13 via a capacitor. This causes pin 10 to output high, charging the 1μF capacitor via the 1N4148 diode. Pin 6 is at 0, and pin 8 is at 1. The thyristor is triggered to conduct, lighting the bulb. The 4069 maintains power due to the charge on the 100μF. When the sound disappears, pin 10 returns to 0, the 1N4148 is reverse biased, and the 1μF discharges through the 22MΩ resistor. After approximately 15 seconds, pins 5 and 8 are at 0, causing the thyristor to turn off due to the loss of conduction voltage, and the light automatically turns off.

Common Faults:
1. The daytime light automatically turns on when there is a sound. This is usually caused by a malfunctioning 2CU. Inspection revealed a small advertisement covering the 2CU receiver port in the hallway. Removing the advertisement resolved the issue. Maintaining the 2CU receiver port should be maintained regularly.

2. The light did not illuminate at night when there was a noise. After eliminating the possibility of a broken bulb, the coupling capacitor at pin 4 was found to be damaged. Replacing it with a high-quality 22P capacitor restored operation.

3. The light would flicker on and off at night when there was a noise. This is usually caused by a damaged or leaking 1μF capacitor; replacing it resolved the issue.

4. The light remained on at night when there was a noise and would not automatically turn off. Inspection revealed a short circuit in the 1N4148, which was causing the 1μF capacitor to remain charged, causing the light to remain on. Replacing it resolved the issue.