Vehicle Separation Curtain

Vehicle Separation Curtain

Category: SAFETY LIGHT CURTAIN Available
For more information, visit our official website at sem-eq.com

Description




ESPE safety light curtains are widely used in hazardous areas to avoid any industrial accidents caused by access the danger area, and also monitoring of automated manufacturing cells and production line.
ESCC series is a kind of safety light curtain specially design for highway, toll collection by weight, highway detection station, customs or other vehicle detection site.
Which is mainly achieve function of vehicle height limit, vehicle separation, detection of vehicle speed and vehicle driving direction, etc.
Stainless steel or cold rolled steel plate enclosure for ESCC is built in heating glass, temperature & humidity controller, realize automatic heating when the humidity is too high or temperature is too low.
To ensure the curtain can be used in wet areas, rain and snow weather.




Model :
 


 



Features :
 

 


Applications :




 


Dimension :




 


Specifications :

 
Parameter of safety light curtain
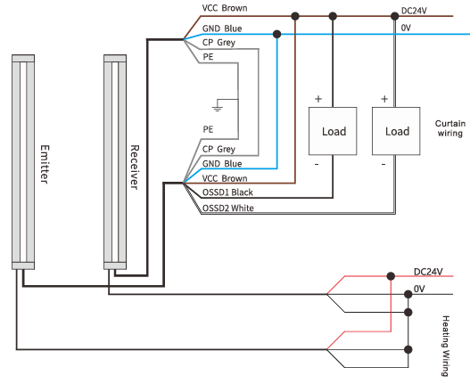
Working Power Supply DC24V±15%
Beam space 20mm/40mm
Resolution 25mm/45mm
Beams 20mm beam space: 32, 64
40mm beam space: 16, 32
Wave Length 940nm
Capacity <5W
Sensing distance max. 20m (Remark: if light reflection, please let us know in advanced)
Anti-light interference 100000 Lux (incidence Angle | >5)
Sensing method Thru-beam type
Output Mode NPN, PNP, RS485
Type Of Output (OSSD) NPN/PNP semiconductors, current <200mA, residual voltage: 1V max. Leakage current:
1mA (except voltage influenced by lengthen cable)
RS485 output: Modbus communication protocol, customized protocol.
Protective Circult Power supply overvoltage protection, reverse polarity protection and output overcurrent protection
Output Signal OSSD1 output blocking signal, OSSD2 output abnormal signal
The Emission Indicator Normal: The indicator is steady green
The Receiving Indicator Normal: The green light is steady on
Abnormal alignment: The indicator is steady red
CP malfunction: Red & green light blink alternately.
Insulation Resistance >100 MO
Ambient Operating Temperature -40°C to 55°C
Storage Temperature -55°C to 80°C
Ambient Humidity When the temperature is 20° C, the relative air humidity is less than 85%
Enclosure rating IP65
Section Size 35 × 50mm
Electrical parameters of the protective cover
Operating Voltage 24V±10%
Working Current 10A
Humidity Switch Mechanical nylon film trigger switch relative temperature 20%-80%
Main Control Unit When the heating unit of the starts, the red LED light at the front will glow
Cover Structure Stainless Steel (201/304)
Cover self-adjusting heating glass
Heating Glass Core 2 No. 14 standard cable with ground cable is required for heating glass (cable not provided)
Door Opening Method Front-door opening mode
Door Closing Method Front-door screws fixed

 




 

More detail about SEM Equipment Sdn. Bhd.
SEM Equipment Sdn. Bhd.
SEM Equipment Sdn. Bhd. Industrial Equipment Manufacturer, Ultrasonic Equipment Supplier, Laser Equipment Supply in Johor Bahru (JB), Malaysia ~ SEM Equipment Sdn. Bhd.
Contact Us flagMalaysia