The AirTAC F Joint Series is a precision-engineered floating joint designed to eliminate misalignment between a pneumatic cylinder and its driven load. By allowing for a small degree of lateral and angular play, this joint prevents the "binding" or "side-loading" that often leads to premature cylinder seal failure and rod wear.
Built for high-performance automation, the F Joint ensures that linear motion remains fluid and accurate, even when perfect mechanical alignment is difficult to achieve. It is an essential accessory for extending the service life of your pneumatic actuators and maintaining consistent machine output.
Key Features:
Misalignment Compensation: Absorbs angular and lateral deviations to ensure smooth linear movement.
Extends Cylinder Life: Prevents harmful side-loads on piston rods and internal seals.
Durable Construction: Manufactured with high-strength materials to handle repeated industrial cycles.
Easy Installation: Designed for quick attachment to standard cylinder rod threads.
Compact Profile: Provides vital flexibility without significantly increasing the length of the mechanical linkage.
| Type\Item | MA | MB | MC | MD | ME | MF | MG | MH | MI\MJ | ML | MM |
| F-M3X050F | 23.5 | 7.5 | 3 | 15 | 12.8 | 5 | 2.4 | 4 | M3×0.5 | 5.5 | 13 |
| F-M4X070F | 26 | 9.5 | 3 | 17 | 12.8 | 5.5 | 3 | 4 | M4×0.7 | 7 | 13 |
| F-M5X080F | 34.5 | 13.5 | 3.5 | 22.8 | 13.8 | 7.5 | 4 | 6 | M5×0.8 | 8 | 14 |
| F-M6X100F | 34.5 | 13.5 | 3.5 | 22.8 | 13.8 | 7.5 | 4 | 6 | M6×1.0 | 10 | 14 |
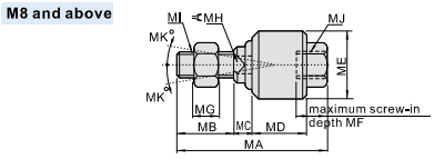
| Type\Item | MA | MB | MC | MD | ME | MF | MG | MH | MI/MJ | MK |
| F-M8X125F | 51 | 20 | 6 | 17 | 24 | 10.5 | 6 | 8 | M8×1.25 | 13 |
| F-M10X125F | 58 | 22 | 7 | 21 | 26 | 11 | 6 | 10 | M10×1.25 | 12 |
| F-M12X125F | 58 | 22 | 8 | 21 | 28 | 11 | 7 | 12 | M12×1.25 | 12 |
| F-M14X150F | 70 | 22.5 | 8.5 | 28 | 34.5 | 16 | 8 | 15 | M14×1.5 | 12 |
| F-M16X150F | 90 | 27 | 10 | 41 | 44.5 | 19 | 8 | 17 | M16×1.5 | 7 |
| F-M18X150F | 92 | 27 | 10 | 41 | 44.5 | 21 | 11 | 18 | M18×1.5 | 7 |
| F-M20X150F | 102 | 29 | 13 | 46 | 53 | 22 | 10 | 22 | M20×1.5 | 10 |
| F-M22X150F | 108 | 32 | 13 | 46 | 53 | 25 | 13 | 22 | M22×1.5 | 5 |
| F-M26X150F | 120 | 32 | 14.5 | 52.5 | 59.5 | 28 | 13 | 27 | M26×1.5 | 5 |
| F-M27X200F | 137 | 40 | 14.5 | 52.5 | 59.5 | 35 | 13.5 | 27 | M27×2.0 | 5 |
| F-M36X200F | 195 | 60 | 20.5 | 77.5 | 84 | 50 | 18 | 36 | M36×2.0 | 5 |
.png)
Lebih maklumat tentang JTC Industrial Solutions
Malaysia