Description


FEATURES
饀 Parameter auto-setup and motor self-test
饀 Multi-Stepping inside
饀 Small noise, low heating, smooth movement
饀 Torque compensation in high speed
饀 Variable current control technology, High current efficiency
饀 Accelerate and decelerate control inside, Great improvement in
smoothness of starting or stopping the motor
饀 Support PUL/DIR and CW/CCW modes
饀 Storage the position of motor
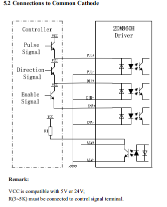
饀 Optically isolated input and compatible with 5V or 24V (add 3K ohm resistor) also for the power supply have DC24V-110V or AC 18V-80V
饀 User-defined micro steps
饀 Microstep resolutions and Output current programmable
饀 Over current, over voltage and low voltage protection
饀 Green light means running while red light means protection or
off line
SPECIFICATION








More detail about IMS Mechatronics Sdn Bhd